| Sign In | Join Free | My chinacsw.com |
|
Brand Name : Greenfair
Model Number : EI series
Certification : CE, UL, ISO9001
Place of Origin : China
MOQ : 1000pcs
Packaging Details : carton box
spec. : EI transformer
frequency : high frequency
structure : vertical
material : magnetic core
appliance : power supplier
winding : litz wire and triple wire
EI Series switching power supply transformer high efficiency low radiation UL,VDE,3C,CQC
General information:
It is recommended that the temperature of the part does not exceed +125°C under worst case conditions.
Storage Temperature: -40°C to 85°C
Operating Temperature: -40°C to 125°C
Test conditions of Electrical Properties: 20°C, 33% RH if not specified differently
| OPERATING TEMPERATURE RANGE, PACKAGE QUANTITY, PRODUCT WEIGHT | |||||
| Temperature range | Humidity range | Standard test conditions | |||
| Operating temperature* | Storage temperature | Operating temperature** | Storage temperature** | Operating temperature** | Storage temperature** |
| ( ℃) | ( ℃) | ( % RH) | ( % RH) | ( ℃) | ( % RH) |
| -30 to +120 | -40 to +80 | 10 to +95 | 10 to +95 | 25 ± 10 | 25 to +75 |
* With self-heating
** Maximum wet-bulb temperature 38°C, without dewing
*** Without dewing

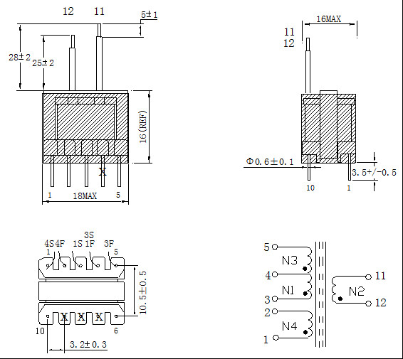
| No. | Winding | Material | Tube | Pin | Turns | insulation | |
| start | end | W=8.5mm | |||||
| 1 | N1 | 2UEW Φ0.18mm*1P | 3--4 | 78TS close | 1T | ||
| 2 | E1 | 2UEW Φ0.15mm*1P | 5-- | 45TS | 1T | ||
| 3 | N2 | TEX-EΦ0.4mm*1P | Φ0.66 | Φ0.66 | 12--11 | 12Ts close | 1T |
| 4 | E2 | 2UEW Φ0.15mm*1P | 5-- | 45TS | 1T | ||
| 5 | N3 | 2UEW Φ0.18mm*1P | 4--5 | 77TS close | 1T | ||
| 6 | N4 | 2UEW Φ0.18mm*1P | Φ0.38 | 1--2 | 13Ts close | 2T | |
EI Transformer
Quick Details
Place of Origin: Guangdong, China (Mainland)
Brand Name: Greenfair, GFE, GE
Model Number: EI10/4, EI13/5, EI16/22, EI16/5, EI18/10, EI19/5, EI20/4, EI20/5, EI22/6, EI22/4, EI25/6, EI25/7, EI27/8, EI28/5, EI28/11, EI28/10, EI31/11, EI32/20, EI33/13, EI34/4, EI35/10, EI38/25, EI40/11, EI50/15, EI60/16, EEI50/4, EEI160/4, FEI17/7, FEI18/8, FEI22/13, EIE32/20.
Usage: High Frequency
Phase: Single
Coil Structure: Toroidal
Coil Number: Autotransformer
Bobbin material: Phenolic
Packaging & Delivery
Packaging Details: carton box, plastic pallet, package testing dropping before shipping

|
|
High Efficiency Switching Power Supply Transformer Low Radiation UL VDE Approved Images |